滾珠導軌滑塊
.gif)
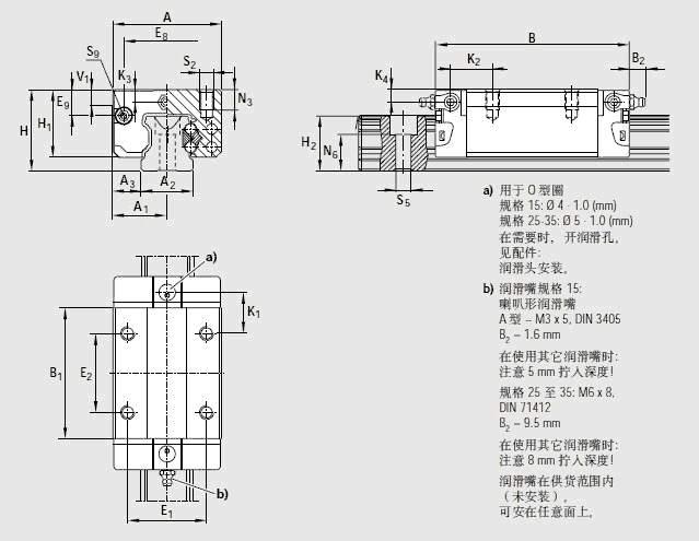
| A | 48 | |
| A1 | 24 | |
| A2 | 23 | |
| A3 | 12.5 | |
| B | 86.2 | |
| B1 | 57.8 | |
| E1 | 35 | |
| E2 | 35 | |
| E8 | 38.30 | |
| E9 | 11.50 | |
| H | 36 | |
| H1 | 29.90 | |
| H21) | 24.45 | |
| H22) | 24.25 | |
| K1 | 17.45 | |
| K2 | 18.60 | |
| K3 | 5.50 | |
| K4 | 5.50 | |
| N3 | 9.0 | |
| N6±0.5 |
15.2 |
|
| S2 | M6 | |
| S5 | 7.0 | |
| S9 |
M3*5 |
|
| T | 60 | |
| V1 | 7.5 | |
| 重量 | 0.35 | |
| 額定載荷C3) | 22 800 | |
| 額定載荷 C03) | 8 800 | |
| 額定轉矩 Mt3) | 320 | |
| 額定轉矩 Mt max3) | 125 | |
| 額定轉矩 ML3) | 180 | ![]() |
| 額定轉矩 ML max3) | 70 | ![]() |
1)尺寸H2帶防護帶
2)尺寸H2不帶防護帶
3)不帶滾珠鏈的滾珠滑塊的額定載荷和轉矩。
額定載荷和額定動轉矩是以100,000米行程為基礎確定的(根據ISO 14728-1),但實際中經常是以50,000米行程為基礎。
在此情況下,表格中的C、Mt、和ML的值乘以1.26。

機床、木工機械、激光切割等