博世力士樂生產先進的工業液壓元件與系統,配合了微電子技術,令傳動有力而精確。其電子傳動與控制產品及系統永遠走在科技前端,為不同應用提供最佳的解決方案。在線性傳動與組裝技術方面,力士樂把兩種技術之優點融合,滿足了客戶不同的要求。此外,其氣動元件跟電動氣壓零件相配合,令元件及系統發揮得全面。REXROTH導軌主要分為:滾珠和滾柱兩個系列!

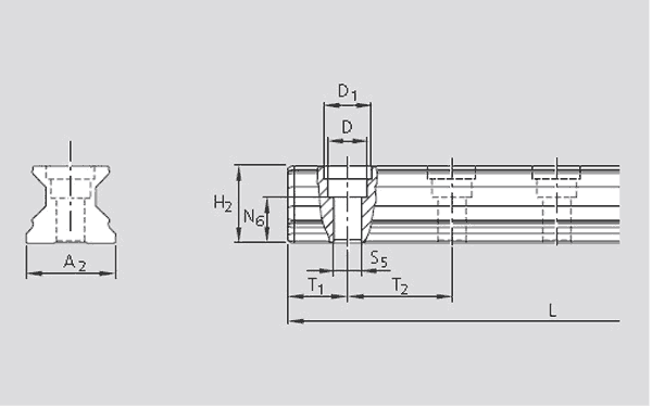
| A2 | 34 | |
| D | 15 | |
| D1 | 17.55 | |
| D2 | 18 | |
| H2 | 30.80 | |
| Lmax1) | 4000 | |
| N6±0.5 | 19.4 | |
| N10 | 3.6 | |
| N11 | 0.90 | |
| S5 | 9 | |
| T1 min | 12 | |
| T1s2) | 18.00 | |
| T2 | 40.0 | |
| 重量 | 6.3 |

機床、木工機械、激光切割等