博世力士樂生產先進的工業液壓元件與系統,配合了微電子技術,令傳動有力而精確。其電子傳動與控制產品及系統永遠走在科技前端,為不同應用提供最佳的解決方案。在線性傳動與組裝技術方面,力士樂把兩種技術之優點融合,滿足了客戶不同的要求。此外,其氣動元件跟電動氣壓零件相配合,令元件及系統發揮得全面。REXROTH導軌主要分為:滾珠和滾柱兩個系列!

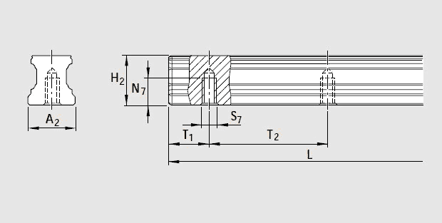
| A2 | 63 | |
| H2 | 57.85 | |
| Lmax | 4000 | |
| N6±0.5 | 25 | |
| S5 | M16 | |
| T1 min | 20 | |
| T1s1) | 35.50 | |
| T2 | 75.0 | |
| 重量 | 17.4 |

機床、木工機械、激光切割等