滾子鏈是一種用于傳送機械動力鏈條,廣泛應用與家庭、工業和農業機械,其中包括輸送機、繪圖機、印刷機、汽車、摩托車、以及自行車。它由一系列短圓柱滾子鏈接在一起,由一個稱為鏈輪的齒輪驅動。這是一個簡單,可靠,高效的動力傳遞裝置。
.gif)
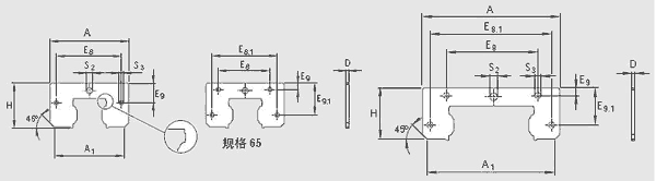
| A | 33.0 | |
| A1 | 26.4 | |
| D | 1.0 | |
| E8 | 24.55 | |
| E9 | 6.30 | |
| H | 19.2 | |
| S2 | 4.6 | |
| S3 | 3.5 | |
| 重量 g | 5 |

機床、木工機械、激光切割等