滾珠導軌滑塊

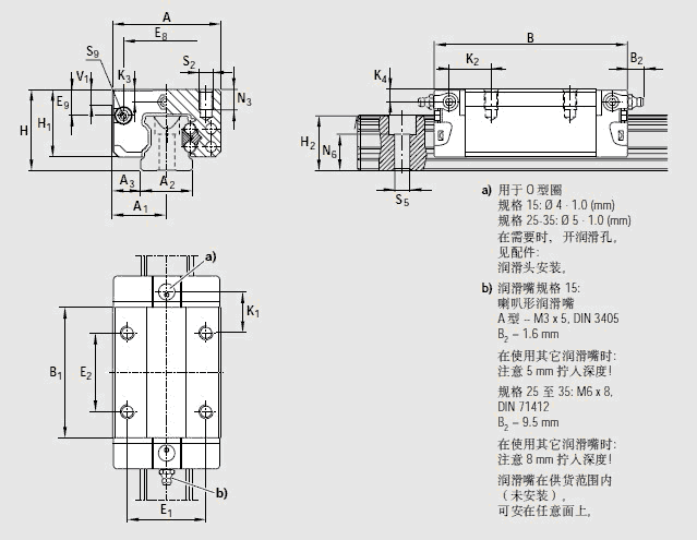
| A | 34 | |
| A1 | 17 | |
| A2 | 15 | |
| A3 | 9.5 | |
| B | 58.2 | |
| B1 | 39.2 | |
| E1 | 26 | |
| E2 | 26 | |
| E8 | 24.55 | |
| E9 | 6.70 | |
| H | 24 | |
| H1 | 19.90 | |
| H21) | 16.30 | |
| H22) | 16.20 | |
| K1 | 10.00 | |
| K2 | 11.60 | |
| K3 | 3.20 | |
| K4 | 3.20 | |
| N3 | 6.0 | |
| N6±0.5 |
10.3 |
|
| S2 | M4 | |
| S5 | 4.4 | |
| S9 |
M2.5*3.5 |
|
| T | 60 | |
| V1 | 5.0 | |
| 重量 | 0.10 | |
| 額定載荷C3) | 7 800 | |
| 額定載荷 C03) | 3 000 | |
| 額定轉矩 Mt3) | 74 | |
| 額定轉矩 Mt max3) | 29 | |
| 額定轉矩 ML3) | 40 | ![]() |
| 額定轉矩 ML max3) | 16 | ![]() |
1)尺寸H2帶防護帶
2)尺寸H2不帶防護帶
3)不帶滾珠鏈的滾珠滑塊的額定載荷和轉矩。
額定載荷和額定動轉矩是以100,000米行程為基礎確定的(根據ISO 14728-1),但實際中經常是以50,000米行程為基礎。
在此情況下,表格中的C、Mt、和ML的值乘以1.26。

機床、木工機械、激光切割等