博世力士樂滾珠導套和軸的品質經過數十年的驗證,適用于通用機械、專用機械、夾具和眾多特殊的應用場合。 博世力士樂提供多種標準款式產品。eLINE系列滾珠導套和直線導套組件采用無間隙結構。 它們已經預加潤滑脂,因此在整個壽命周期內均保證潤滑效果。產品規格范圍適用于軸徑8mm至40mm的軸。博世力士樂產品包括采用熱處理鋼、不銹鋼或鍍硬鉻處理的各種不同公差等級的軸。因此,應用范圍廣泛,包括腐蝕性環境。

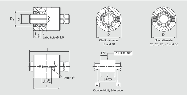
| ød | 16 | |
| Dh6 | 36 | |
| Lh11 | 44 | |
| D1 | 26 | |
| L1 | 14 | |
| bp9 | 5 | |
| t | 3 | |
| L2 | 12 | |
| 標準長(mm) | 400 | |
| 額定扭矩Mt(Nm) | 3.3 | |
| 額定載荷(N) C | 780 | |
| 額定載荷(N) C0 | 530 | |
| 重量:直線導套(KG) | 0.20 | |
| 重量:軸(KG/m) | 1.57 |

機床、木工機械、激光切割等